【飛虹130N10A產品類型】
N-channel Trench MOSFET
【飛虹130N10A產品描述】
飛虹130N10A采用先進的trench工藝來獲得優秀的FOM(RDSon*Qg),產品廣泛使用在72V電動車控制器,直流電機驅動,24V輸入逆變器,UPS。其他MOS管品牌替代型號:4410場效應管、IRFB4410。
【飛虹130N10A產品特點】
100% EAS測試,100% Rg測試,100% DVDS測試,高雪崩耐量,可靠性高,低Qgd,低RDSon。
【飛虹130N10A產品參數】
|
Part Number
型號 |
Polarity
極性 |
Package(*)封裝形式 |
VTH(V) |
ID(A) |
BVdss(V) |
Rds(on)at Vgs=10V(mΩ) |
參考型號 |
|
|
typ |
max |
Reference Part |
||||||
|
130N10A |
N |
TO-220 |
2~4 |
130 |
100 |
7 |
7.5 |
IRFB4410 |
【飛虹130N10A應用舉例】
電動車控制器(直流無刷電機控制器)

130N10適用于12-15管-72V輸入電動車控制器。
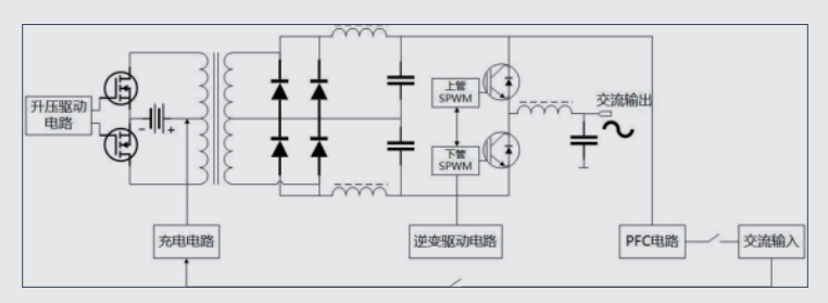
UPS舉例:

FHP130N10A適用于UPS的推挽升壓結構。
車載逆變器:

FHP130N10A適用于24V輸入或者12~24V輸入通用型逆變器。
返回頂部
400-831-6077
在線留言